会员服务
  首页 | 最新采购 | 现货热卖 | IC库存 | 非IC库存 | 应用资料&程序库 | 交流区 | 供应商 | 生产商 | 技术资料
应用资料:  
您现在的位置:首页 >  技术资料   上载库存  

光接收机野外的检修

目前,很多地方使用光缆传送有线电视信号,每年夏季,野外光接收机经常遭雷击而频频损坏,维修时发现其电源击坏的比例占整个故障的80%,而大部分光接收机使用开关型稳压电源。电路中的开关管等零件在维修时市场上常买不到。其次不少阻容元件雷击后无法辨认阻容值,所以给维修带来一定难度。
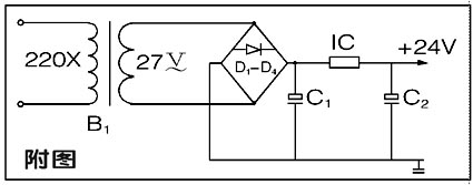
深圳产的9912型野外光接收机是一种常见的机型,其开关管使用的是场效应管K1204,振荡推动集成块μc2842P,光电耦合器4N35,一旦雷电从电源进入这几个主元件极易击穿。元件必须从生产厂家邮购,而且价格比较贵。为解决这一难题,笔者对近几年来损坏的电源板用分立元件代替使用效果不错,而且元件就地取材,只要按原设计要求能达到稳定的+24V直流电压,就能正常工作,见附图。

变压器次级选用20W以上输出27V~35V 0.8A左右为好,也可使用普通放大器内的变压器。D1-D4用IN4007,C1=1000μf/50V,C2=1000uf/35V,IC用7824型。

 




关于我们 | 会员服务 | 广告服务 | 支付方式 | 联系我们 | 友情链接

会员服务热线:

深圳矽通科技版权所有 © Copyright 2005-2007, ic-cn.com.cn All Right Reserved.  粤ICP备07006430号
深  圳13410210660             QQ : 317143513   点击这里与电子元件采购网联系
客服联系: MSN:CaiZH01@hotmail.com       E-mail:info@ic-cn.com.cn